Healthcare

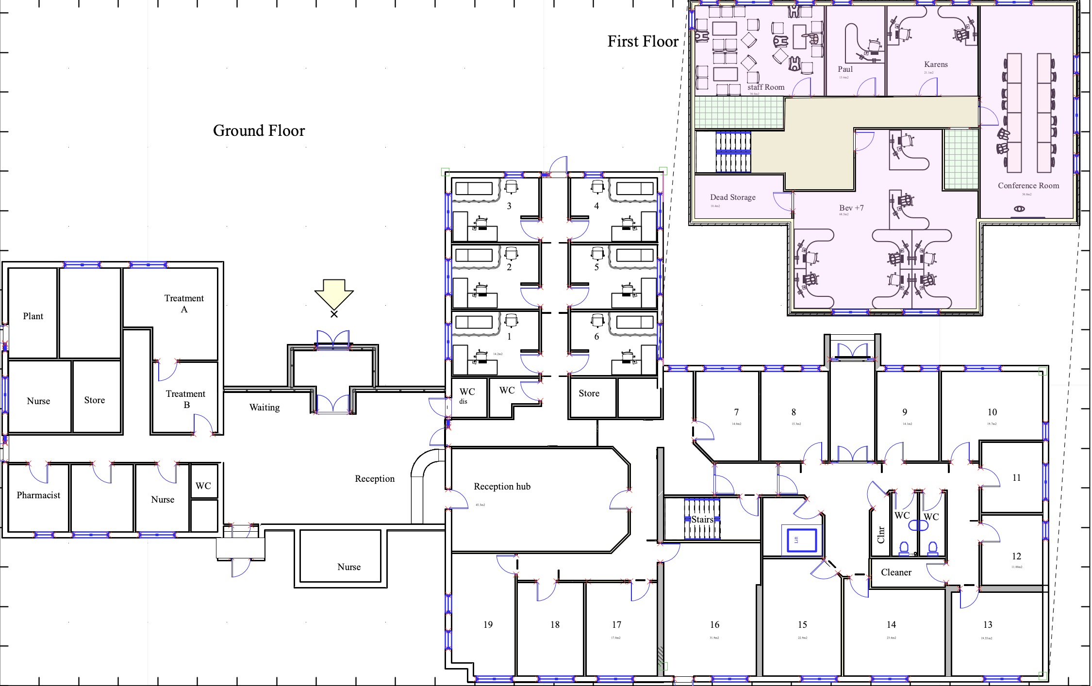
Medical centre - plan

Medical centre - plan